工作

ラジオ体操を流す豚をラジコンに改造する(4)

(前回) 最近(と言っても数ヶ月前からですけど)ジョジョにハマりました。Youtubeで期間限定公開してるやつを毎週見てます。ああいうのを見ると、まるで自分もスタンドを出せるようになった気がしませんか?ちなみにモジキが一番好きな登場人物は岸...
工作

ラジオ体操を流す豚をラジコンに改造する(3)

(前回) 毎週オタクイベントに行ったり板タブを買って絵をかいたり仕事がアホみたいに忙しかったりしたせいで間が開いてしまいました。トイレで気を失うのはもうコリゴリですよ。ちなみに仕事をする体力はありませんが遊ぶ体力はあります。 ということで今...
工作

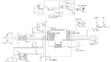
ラジオ体操を流す豚をラジコンに改造する(2)

(前回) 今回は豚の中身を開けて様子を見ます。分解 ネジ4本を外せばこのように分解できます。持った感じで大体予想は付いてましたがスカスカです。 ボタンはノートパソコンのキーボードと同じタイプ(ラバースイッチというらしい)でした。音源が入って...
工作

ラジオ体操を流す豚をラジコンに改造する(1)

知人よりこんなものを預かりました。 これは「体操ブーブー 第1 v1」という名前の人形で、鼻を押すと「ブヒィー!健康って素晴らしい!」みたいな台詞と共にラジオ体操第一が流れます。第二が流れるやつも売っているようで、そいつは青い服を着ていて「...
工作

後付けノイズフィルタ

古い電子機器では電源部にノイズフィルタが付いておらず、周囲にノイズを撒き散らしたり、反対にノイズの影響を受けてしまうことがあります。 ノイズフィルタ付きの3P電源タップは色々市販されていますが大体8個口とか多すぎなんですよね。というかアレっ...
工作

ワイヤレストラックボール M-HT1DRBKのホイールを修理する

このエレコムのトラックボールは4年前に11390円で購入した物ですが最近調子が悪いです。ホイールを回した時のクリック感が弱くなり、また特定の位置で逆方向にスクロールし出すようになりました。 恐らく中のロータリエンコーダが寿命を迎えたものと考...
工作

波高分析器の製作(1)

別名「マルチチャンネルアナライザ」。入力されたアナログ信号の波高値を記録し、ヒストグラムで表示する測定器で、放射線のエネルギー分布の測定に用いられます。例:MCA-7a セイコー・イージーアンドジー株式会社原理 波高分析の簡単な流れを下図に...
鉄道

Excelで京急306/307号ダイヤグラム

京急電鉄の土休日306号ダイヤおよび平日307号ダイヤのExcel版を載せます。※これは2016年に作成したもので既に使われていません。今のダイヤも作ろうかな…どうしようかな… このダイヤグラムは、京急の時刻表とインターネットの時刻表を用い...
工作

汎用ロジックICでデジタル時計を作る(8)

(前回) 今回はケースを加工して組み立てに入ります。 以前作った図面をケースに貼り付けてカーボン紙で転写します。↓ 時間表示部分の四角い穴は開口部を斜めに削り、3000番の紙やすりでなんとなく艶を出しておきます。 これでケース加工は終わりで...
工作

汎用ロジックICでデジタル時計を作る(7)

(前回) 残りの回路は7セグメントLEDを使った時間表示部分だけなので、さっさと作って全体の動作チェックに移ります。製作 ジャンパ線がむき出しだと見た目を悪くするので、良く7セグの下に隠して後はUEWで配線します。全体の動作確認 今まで製作...